Отзывы о переключателе Legrand двухклавишном Legrand Quteo IP20 10A 250В винтовые зажимы накладной монтаж белый 782206
Сначала:
Полезные
Иван
17.09.2022
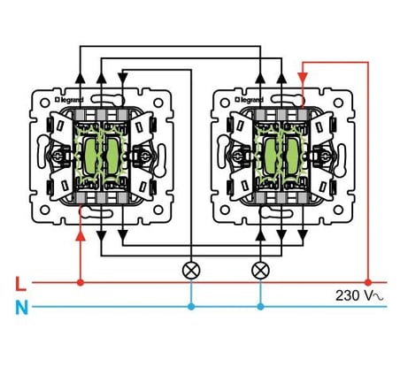
Устали постоянно выключать свет вечером, пришла идея установить внешние переключатели (использовал уже проложенную проводку, потребовалось дополнительно 6 проводочков ( два трехжильных кабелей положил).Купил два переключателя, цена супер, качество тоже хорошее, крутил усиленно болтики, ничего не сломалось ( возможно предыдущему покупателю попался брак). Даже пришлось два раза снимать (откручивать), всё хорошо, ничегошеньки не сломано. Не хватало инструкции, пришлось гуглить. Прикладываю, м.б. кому поможет
Игорь .
14.11.2022
Качественный товар от известного производителя за вполне умеренную цену. Дешевле только даром!
Алексей Л.
16.01.2023
легок в монтаже, для проводов все отверстия есть, 3+3 группы контактов на 2 контура. одну сторону использую как обычный выключатель
Егор О.
26.01.2022
Раньше покупал выключатели данной фирмы и с ними все было отлично, в этот раз все пошло не так. На вид вся конструкция сделана качественно, но при затягивании проводов маленькой отверткой я столкнулся с проблемой, которая видна на фото. По итогу купил новый такой-же и затягивал очень аккуратно.
Валерий
04.01.2025
Слизали с оригинала, но всё как всегда
4.1
9 отзывов
7 отзывов
2 отзыва

