Устройство плавного пуска INSTART 400квт|800A| (SBIP-400/800-04), 3 ~ 342-440В, IP00, Modbus RTU, сьемная панель, русскоязычное меню, встроенный обводной контактор 00048800

Тип:силовой
Способ установки:монтажная плата
Степень защиты:00 IP
Номинальный ток:800 А
Номинальное рабочее напряжение:380(400) В
Категория размещения:3
247 943 ₽
юрлицам
253 650 ₽
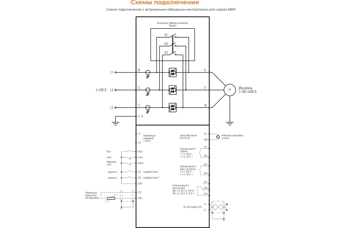
Стандартная серия общего применения с встроенным обводным контактором (не входит в комплект поставки). Серия SBIP со встроенным байпасным контактором обеспечивает простое подключение и удобство эксплуатации. Диапазон мощности серии SBIP – 5.5-630 кВт. Устройства плавного пуска серии SSIP применяются везде, где необходим контролируемый пуск и останов двигателя, и не требуется регулировка скорости. Предназначены для систем, требующих повышенного контроля физических параметров. Серия SBIP краткая техническая спецификация: 3 - 342-440В (± 5% не более 20мс), частота пусков yе более 5 раз в час (не чаще 1 раза в 12 минут), пусковое напряжение 30-70%, ограничение пускового тока 200 - 500%, максимальный рабочий ток 50-200%, * питание платы управления 230В, независимое от силовой части.
- Релейные выходы: R1: 250В АС до 3 А; 30 В DC до 3А; (Работа по байпасу); R2: 250В АС до 3 А; 30 В DC до 3А; (программируемое); R3: НО до 3 А, НЗ до 1 A 250 В АС; НО до 3А, НЗ до 1 A 30 В DC (программируемое).
- Входы управления: 5 цифровых (3 непрограммируемых и 2 программируемых входа), 1 вход для датчика PTC.
- Аналоговый выход: 1 аналоговый выход 0(4) - 20 мА
- МОНТАЖ: силовые шины открытого типа для удобства подключения; * конструкция корпуса позволяет выполнять установку без воздушных зазоров.
Технические характеристики
Преимущества
- Наличие обводного контактора(байпас)
- Силовые шины открытого типа во всем мощностном диапазоне для удобства подключения
- установка устройств без воздушных зазоров
- Предустановленные настройки для типовых применений
- Программируемые входы и выходы
- Журнал событий с хронологией
- Пофазный контроль тока, напряжения и температуры
- Подключение РТС-датчика электродвигателя
*Производитель оставляет за собой право без уведомления дилера менять характеристики, внешний вид, комплектацию товара и место его производства. Указанная информация не является публичной офертой
INSTART
Россия — родина бренда
Китай — страна производства
Комплектация
- Устройство плавного пуска со сьемной панелью управления
- Руководство по эксплуатации и паспорт
Информация об упаковке
Единица товара: Штука
Вес, кг: 31
Длина, мм: 230
Ширина, мм: 350
Высота, мм: 590
Разрешительная документация
Этот товар из подборок
Сервисное обслуживание
Расходные материалы
Отзывы
Отзывов еще нет. Оставьте первый и получите промокод!
Поделитесь мнением, чтобы помочь другим покупателям в выборе. Подробнее
Вопросы и ответы
Нужна помощь?
Задайте вопрос – вам ответит наш эксперт, представитель бренда или один из покупателей
Аналогичные товары
Сравнить все
