Преобразователь частотный KRAFTAIR 0.75кВт AD30-2SD75
Гарантия производителя 36 месяцев

Номинальный ток:4 А
Мощность:0.75 кВт
Тип:модульный
Тип тока:переменный (AC)
Мах частота на выходе:1200 Гц
Напряжение:220(230) В
Материал изделия:пластик
17 968 ₽
Преобразователи частоты AD30 – это универсальные и надежные преобразователи частоты для точного управления асинхронными двигателями.
Они сочетают в себе компактность, высокую перегрузочную способность, простоту монтажа и богатый функционал, благодаря чему идеально подходят для общепромышленного применения, а также для установки в насосных и вентиляционных системах.
Серия AD30 является компактной и экономичной линейкой преобразователей частоты с богатым функционалом для широкого круга применений.
Основные функции:
- Регулирование скорости или момента асинхронных двигателей
- Поддержание регулируемого параметра (давления, температуры)
- Векторный и скалярный режимы работы
- Нормальный и легкий режимы работы
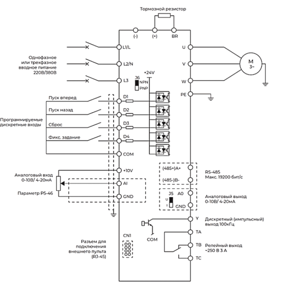
- 4 дискретных входа (PNP/NPN), 1 дискретный (импульсный) выход и 1 аналоговый выход
- 1 аналоговый вход и 1 аналоговый выход
- Торможение постоянным током
- Защита двигателя
- Встроенный тормозной модуль
- Встроенный фильтр ЭМС
- Потенциометр задания на пульте
Дополнительные функции:
- Автонастройка на двигатель
- Останов насоса при отсутствии расхода (спящий режим)
- Энергосберегающий режим
- Встроенный ПЛК (работа в цикле по фиксированным скоростям)
- Функция качания частоты (вобуляция)
- Встроенный порт Modbus
- Пожарный режим
- Защитное покрытие плат 3C3
- Опциональный выносной пульт с возможностью копирования параметров
Технические характеристики
Гарантия производителя 36 месяцев
на товары KRAFTAIR
*Производитель оставляет за собой право без уведомления дилера менять характеристики, внешний вид, комплектацию товара и место его производства. Указанная информация не является публичной офертой
KRAFTAIR
Россия — родина бренда
Китай — страна производства
Информация об упаковке
Единица товара: Штука
Вес, кг: 0.95
Длина, мм: 200
Ширина, мм: 160
Высота, мм: 140
Этот товар из подборок
Сервисное обслуживание
Расходные материалы
Отзывы
Отзывов еще нет. Оставьте первый и получите промокод!
Поделитесь мнением, чтобы помочь другим покупателям в выборе. Подробнее
Вопросы и ответы
Нужна помощь?
Задайте вопрос – вам ответит наш эксперт, представитель бренда или один из покупателей
Аналогичные товары
Сравнить все
